产品列表PRODUCTS LIST
不锈钢耐震压力表Y-40B/50B/60B /75B/100B/150B/200B-Z
不锈钢耐震压力表在表体内充装阻尼液并且加装阻尼装置,使压力表起到减震、抗震的作用,适应剧烈振动环境,耐受脉动介质及冲击载荷。不锈钢耐震压力表全部采用不锈钢材料制造,主要零件采用不锈钢SUS316L材料,适用于有腐蚀性气体环境,可检测腐蚀性较强介质的压力或真空,压力表指示稳定清晰。广泛应用于石油、化工、机械、冶金等工业部门压力测量。
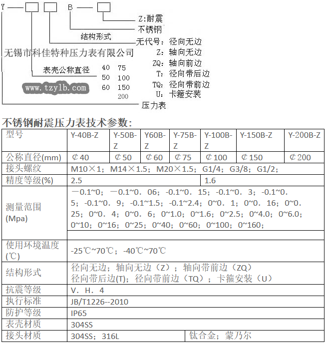
不锈钢耐震压力表型号命名:



使用与订货须知:
主要零部件如选用蒙乃尔或者钛合金,请在订货时注明,否则默认为316L材料为主要材料。
不锈钢耐震压力表不适用于外界有氧、氯、硝酸和过氯化氢等强氧化剂环境。
订货请说明名称、型号及测量范围。
使用中因环境温度过高,仪表指示值不回零位,可用细针在仪表橡皮塞上通一小孔,使仪表内腔与大气相通即可。